- Início
- Aquecimento
- Bombas de calor
- Z400iQ Stainless
- Produtos
- Recâmbios
- Documentos
WH000357 | Z400iQ MD7 S
EAN: 9317545270630
DISPONIBILIDADE
Disponibilidade noutros Pro Centers
Informação sobre a disponibilidade no armazém local
A informação das unidades em stock no nosso armazém logístico é meramente informativa. Não é possível reservar ou comprar através do site.
Os produtos serão reservados quando recebermos a confirmação do pedido. Produtos fora de estoque ou disponibilidade insuficiente podem ser adicionados ao carrinho e serão entregues quando toda a quantidade estiver disponível ou com entregas parciais.
Ver informações sobre a delegação e as unidades reservadas
Descrição técnica
• Design único
• Silenciosa e discreta
• Possibilidade de instalaçào em local técnico
Características técnicas:
• Saída de ar vertical
• Polipropileno e aço galvanizado, pintado com epóxi (corpo)
ou pré-pintado (painel frontal)
• Visor LCD (LED)
• Wi-fi integrado com aplicativo dedicado
• Modo de prioridade de aquecimento (controlo da bomba de filtraçào)
• Possibilidade de controlo ON-OFF através de interruptor remoto ou sistema de automaçào residencial
• Ventilador de 2 velocidades com reduçào automática de ruído
• Seleçào de modo standard / silence
• Modo de arrefecimento automático
• Descongelamento automático (ventilaçào forçada e inversào de ciclo)
• Termostato antigelo
• Interruptor de pressào de segurança HP e LP
• Interruptor de caudal de água
• Permutador de titânio, compatível com tratamento de água salgada
• Compressor ON-OFF, rotativo
• Válvula de expansào eletrónica
Acessórios incluídos:
• Capa de proteçào
• Kit de drenagem
• Racores PVC, 1/2 uniões,
Ø 40 & Ø 50
• Pés anti-vibraçào
• APP gratuita
Tem perguntas sobre o produto?
Solicite mais informações
WH000357 | Z400iQ MD7 S
Versão: 06
Data: 21-10-2025
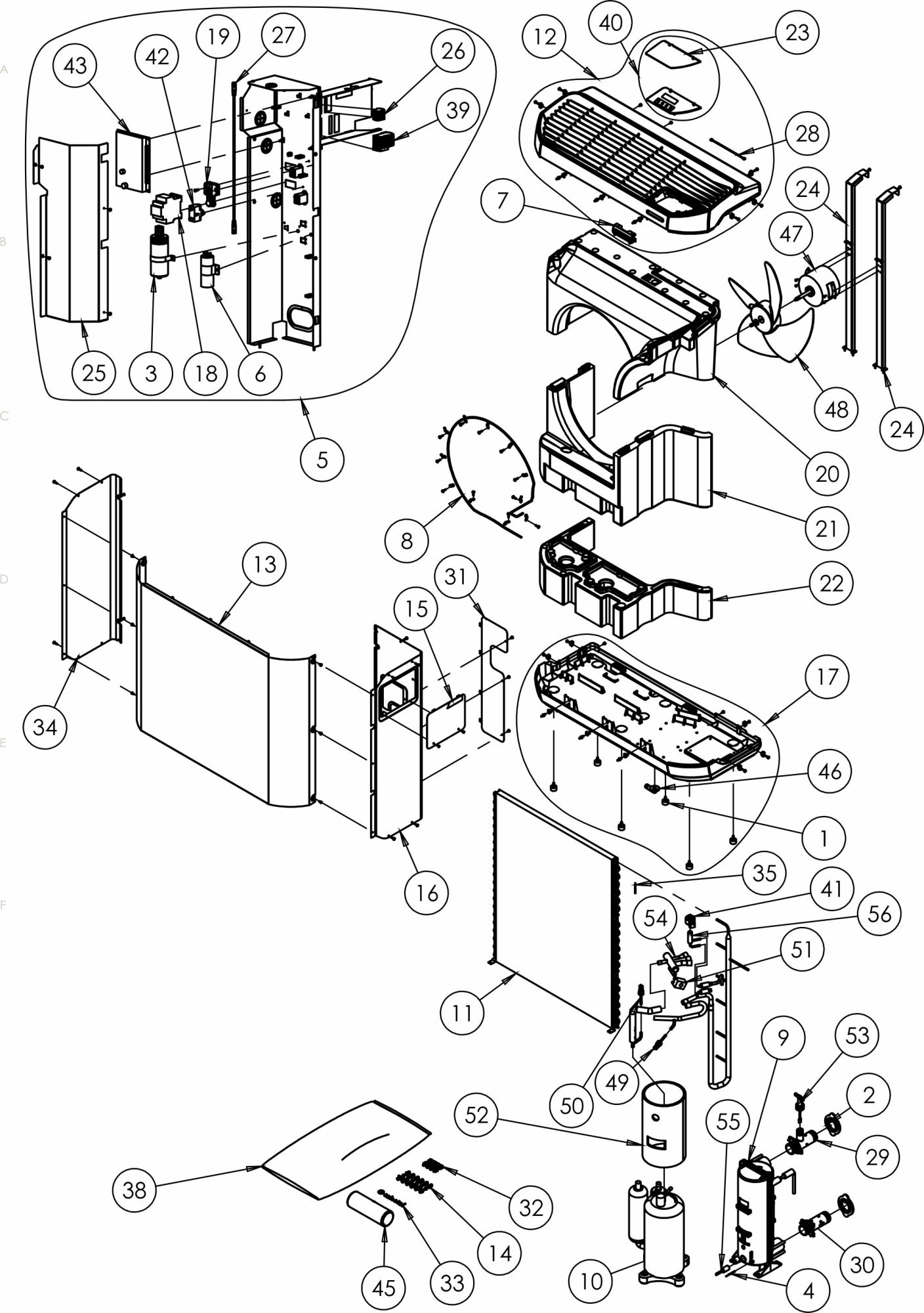
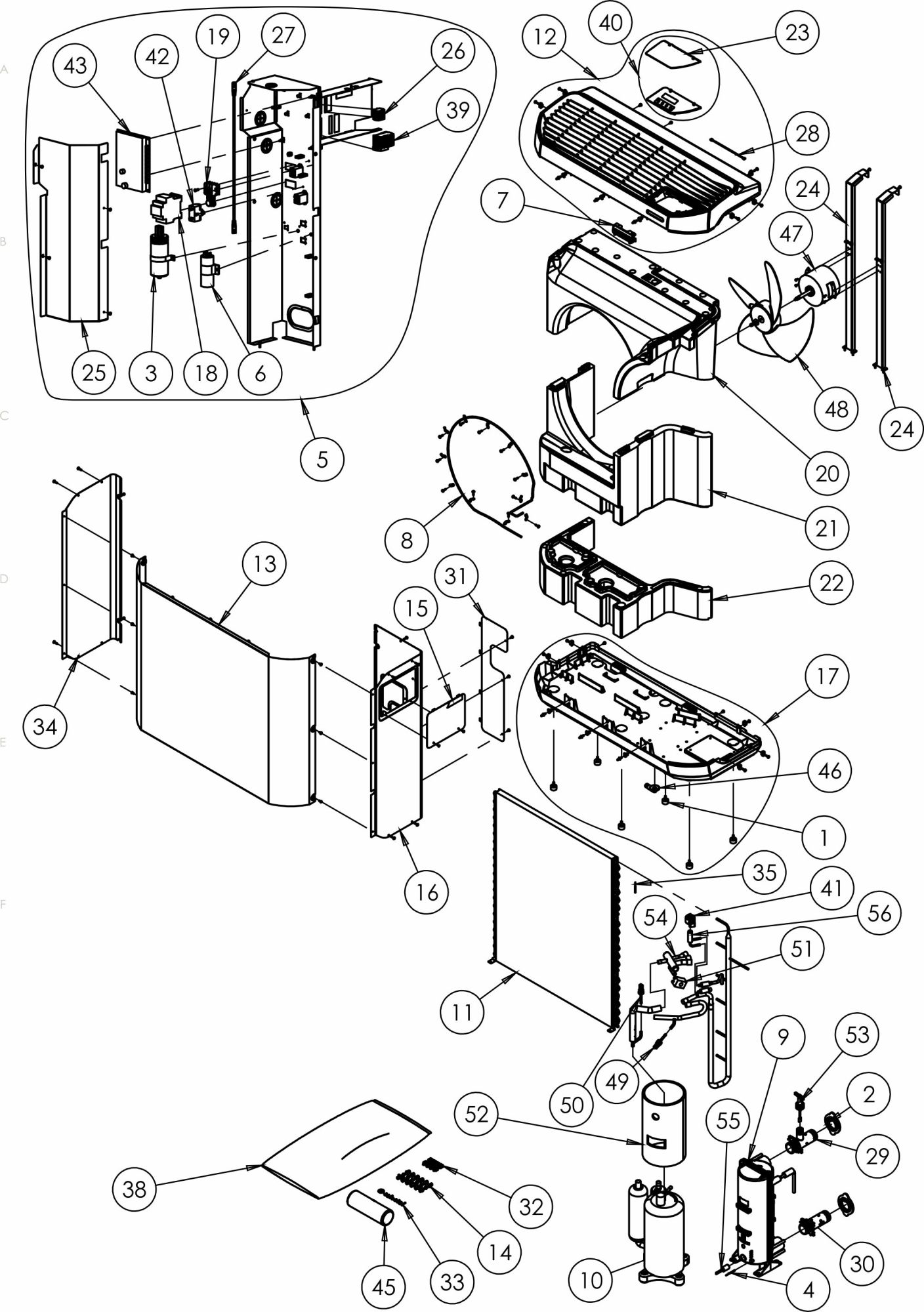
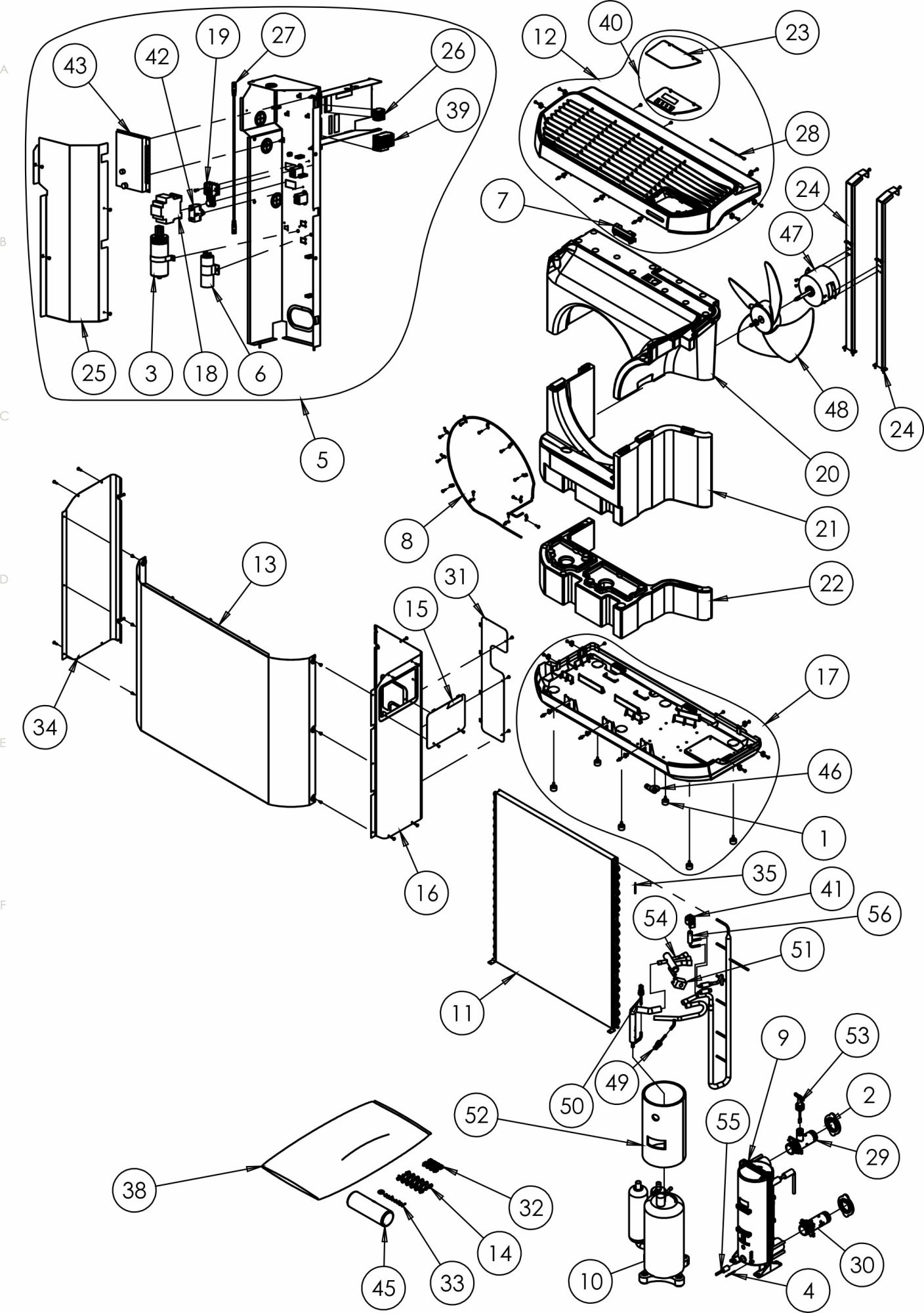
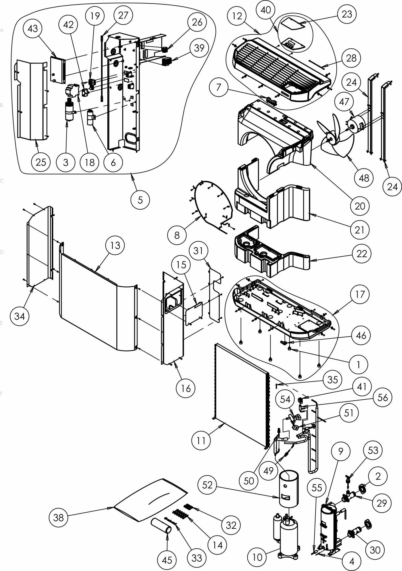
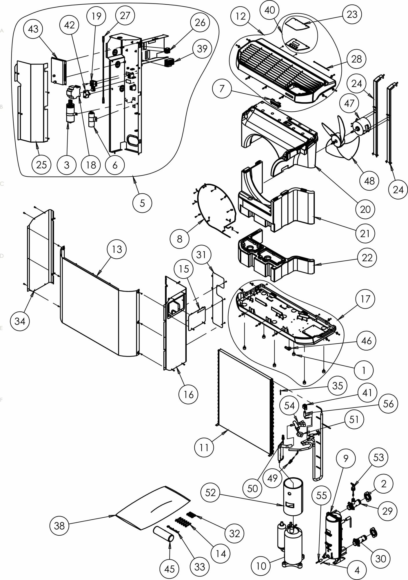
Em que recâmbio está interessado?
Informação sobre a disponibilidade no armazém local
A informação das unidades em stock no nosso armazém logístico é meramente informativa. Não é possível reservar ou comprar através do site.
Os produtos serão reservados quando recebermos a confirmação do pedido. Produtos fora de estoque ou disponibilidade insuficiente podem ser adicionados ao carrinho e serão entregues quando toda a quantidade estiver disponível ou com entregas parciais.
Ver informações sobre a delegação e as unidades reservadas
Documentação associada a este produto
Warranty sheets
Manual de instalação
- Manual de Instalação Z400iQ BG
- Manual de instalação do Z400iQ EL
- Manual de instalação do Z400iQ HU
- Manual de Instalação Z400iQ PL
- Manual de instalação Z400iQ SV
- Manual de instalação Z400iQ ES
- Manual de instalação do Z400iQ PT
- Manual de Instalação Z400iQ NL
- Manual de Instalação Z400iQ DE
- Manual de Instalação Z400iQ FR
- Manual de Instalação Z400iQ IT
- Manual de instalação Z400iQ EN
Leaflet
Manual de instruções